How To Jump Start 24V Truck Diagram - G26000 - 26 Amp 12/24V NOCO Genius Multi-Purpose Battery ... / Dual battery wiring diagram for boat.

How To Jump Start 24V Truck Diagram - G26000 - 26 Amp 12/24V NOCO Genius Multi-Purpose Battery ... / Dual battery wiring diagram for boat.. Easy tutorial on how to jump start a 24 volts system using two car batteries. Start the car and hook the jump leads across the truck battery with the highest voltage. Instantly answers to questions! cranking current is much more stable than its peak value. The jump starters i have selected, which are described below, have enough power to run almost any diesel car or truck. How to jump start a car angie s list.

Instantly answers to questions! cranking current is much more stable than its peak value. First, ask the other driver to pull up next to your car so the jumper cables will reach each car's battery. But after a jump start, the battery should be fully charged with a battery charger to ensure a long battery life. Diagram to jump start 24v truck to 24v truck. Jump starting instructions for your 8 cylinder diesel engine.

Professional Jump Start & Charger 12 Volt & 24 Volt Car ...
Professional Jump Start & Charger 12 Volt & 24 Volt Car ... from cdn.shopify.com
There is zero chance of the jumper box overloading and damaging the vehicle's electrical systems so don't worry. Start the car with the good battery and let it run a few mins to charge the dead battery. Leave them connected, how long is up to you, longer = better. First, ask the other driver to pull up next to your car so the jumper cables will reach each car's battery. How to jump start a semi truck, using the truck pac. How to jump start your power supply paper clip test 1for your safety please turn off the power supply first then set the io switch on the back of. Car battery jump start diagram car stock vector royalty free. Start the car and hook the jump leads across the truck battery with the highest voltage.

Jump starting a 24volt truck from another 24volt truck.

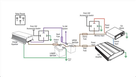
Ignore this warning, and you may be needing a jumpstart again soon. How to jump start your power supply paper clip test 1for your safety please turn off the power supply first then set the io switch on the back of. What amp jumper cables do i need? Do not jump a battery that is cracked or leaking. The jump starters i have selected, which are described below, have enough power to run almost any diesel car or truck. Then, turn off both cars and open the hoods. The battery system is connected as in this diagram which is the most common setup for 24 volt systems in trucks and buses But after a jump start, the battery should be fully charged with a battery charger to ensure a long battery life. It's a good idea to buy a set of jumper cables and keep them in the trunk if it won't start, make sure that the cables are properly connected and have the good samaritan run their engine for five minutes. Whistler jump go portable jumpstart power supply property room. I made a video on how to jump start a 24volt system using only one 12volt battery and using two batteries. Keep the following in your car at all times: There is zero chance of the jumper box overloading and damaging the vehicle's electrical systems so don't worry.

We're not saying you should jump the ram 1500 trx, but if you wanted to, here's how you'd want to do it to avoid being a youtube star for all the wrong reasons. This amount of power is necessary to start the engine on any weather. How to jump start 24 volt system with 12 volt. Don't try to jump a frozen battery. Whistler jump go portable jumpstart power supply property room.

POWERALL 24V 800 Amp Jump Starting City Transit Bus - YouTube
POWERALL 24V 800 Amp Jump Starting City Transit Bus - YouTube from i.ytimg.com
How to jump start a vehicle. Ever been in a tight spot where the 24v truck or bus does not want to start due to a low battery? Jump starting instructions for your 8 cylinder diesel engine. How to jump start your power supply paper clip test 1for your safety please turn off the power supply first then set the io switch on the back of. Here you may to know how to jump start 24v truck diagram. Follow along to see how i jump start 24v equipment with a. Keep the following in your car at all times: How to jump start a semi truck, using the truck pac.

Would be kidnapper asks neighbor for help jump starting truck sdpd.

Just make sure that the positive cable goes to the positive terminal, and the negative goes to. How to jump start a semi truck, using the truck pac. The jump starters i have selected, which are described below, have enough power to run almost any diesel car or truck. Take out your jumper cables. There is zero chance of the jumper box overloading and damaging the vehicle's electrical systems so don't worry. How to jump start a car connect jumper cables printable. How to charge a 24 volt battery system on a d series mci motorcoach / bus. Jump starting a 24volt truck from another 24volt truck. It is delivered by the jump starter sustainably. Then, turn off both cars and open the hoods. Wiring diagram 24 volt alternator how to jump start 24v from 12v. This amount of power is necessary to start the engine on any weather. Read on below to learn what you should have in your cabin and the steps involved to jump start your truck.

Again, cca can be lower than the sum of the batteries. Read on below to learn what you should have in your cabin and the steps involved to jump start your truck. Dual battery wiring diagram for boat. Then, turn off both cars and open the hoods. Follow along to see how i jump start 24v equipment with a.

Accessories :: Jump Starters :: BATTERY JUMP START 12V/24V ...
Accessories :: Jump Starters :: BATTERY JUMP START 12V/24V ... from www.autoequipaustralia.com.au
Keep the following in your car at all times: Start the car with the good battery and let it run a few mins to charge the dead battery. How to jump start 24 volt system with 12 volt. Start the car and hook the jump leads across the truck battery with the highest voltage. Instantly answers to questions! cranking current is much more stable than its peak value. Would be kidnapper asks neighbor for help jump starting truck sdpd. Leave them connected, how long is up to you, longer = better. How to jump start your power supply paper clip test 1for your safety please turn off the power supply first then set the io switch on the back of.

How to jump start 24 volt system with 12 volt.

Truck will click when you turn the key over it ran another battery dead by trying to jump start. Follow along to see how i jump start 24v equipment with a. What amp jumper cables do i need? Just make sure that the positive cable goes to the positive terminal, and the negative goes to. Jump starting a 24volt truck from another 24volt truck. Then, turn off both cars and open the hoods. The jump starters i have selected, which are described below, have enough power to run almost any diesel car or truck. Car battery jump start diagram car stock vector royalty free. How to use a truck with a 12 volt system. To safely jump start, follow these steps: Then try to start your car. It is not too big streamlined model that promises 300 peak amps through a 12/24v operation and has incredibly strong #2 how to jump start a diesel truck with two batteries? First, ask the other driver to pull up next to your car so the jumper cables will reach each car's battery.

If you had to jump start your car after it seemed like not that long of sitting with your radio/headlights on, your battery might be nearing the end of its useful life how to jump start. Follow along to see how i jump start 24v equipment with a.
Share:

Tidak ada komentar:

Posting Komentar

Blog Archive

banner